Home >> Product >> 交通诱导及交通指示类灯珠 >> 502蓝灯有卡30度角
晶元芯片,芯片采用晶元11*14mil蓝光芯片,品牌芯片,光衰小,光斑均匀,一致性好。适用于做交通诱导屏,情报板等。
点击询价
产品描述
产品参数
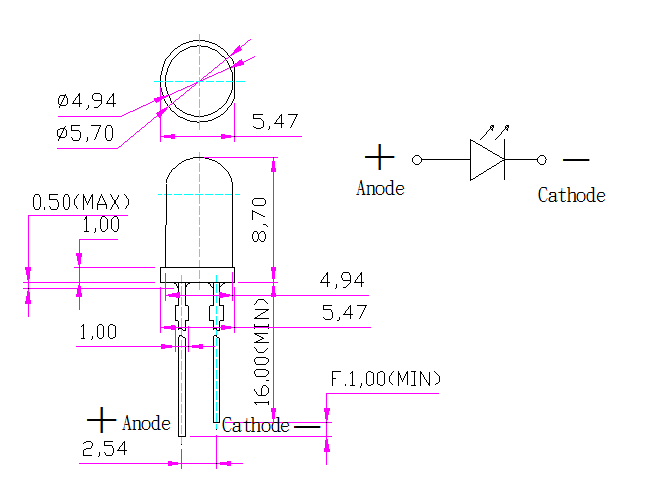
产品大图
产品应用
产品特征:
1.φ5mm圆形发光二极管
2.发光颜色:蓝色
3.发光角度:30±3°
4.胶体颜色:无色透明
5.包装标准:防静电袋包装
6.抗静电等级(MIL-STD-883E):HBM 2级(2000~4000V)
7.适用于直插型二极管的安装方法,符合RoSH环保标准
光电特性(Ta=25℃)
光电特性(Ta=25℃)
|
参数 |
符号 |
条件 |
平均值 |
单位 |
|
正向电压 |
VF |
IF=10mA |
2.0 |
V |
|
发光强度 |
IV |
IF=10mA |
2000 |
mCD |
|
主波长 |
λd |
IF=10mA |
469 |
nm |
|
反向漏电流 |
IR |
VR=5V |
- |
µA |
|
半功率角度 |
2θ1/2 |
IF=10mA |
30 |
degree |

Previous: >502绿灯有卡30度角
Next: >502红灯有卡30度角
地址:深圳市宝安区石岩水田第四工业区恒隆工业园9栋
前台电话:+86-755-29415895
传真:+86-755-29415829
电子邮箱:hexiaobo@tensailed.cn
24小时服务热线:何先生 15802670493 18938088741
© 2019深圳市天思彩光电所有.